CBB de tip R-S asincrone au două intrări (S = set, R = reset) şi două ieşiri (Q, Q). Pentru a avea capacitate de memorare, circuitul ar trebui să funcţioneze astfel:
a unui 1 şi a unui 0); ca urmare se impune S·R=0
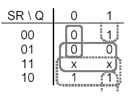
Matricea de excitaţie pentru un astfel de circuit este:
Figura 2.16 Matricea de excitaţie a circuitului basculant bistabil R-S

Figura 2.17 Structura cu NOR şi NAND a unui bistabil R-S
Circuitul funcţionează după cum urmează:
Pentru ultima caz (R = S = 1) circuitul pierde caracteristica de circuit cu două stări. În plus, la anularea acestei comenzi (R = S = 0) apare o ambiguitate asupra stării în care va rămâne circuitul deoarece practic este imposibilă comutarea simultană a celor două porţi. Se va trece deci sau prin R = 0, S = 1 ( ® Q = 1) sau prin R = 1, S = 0 (® Q = 0). Din aceste motive, comanda R = S = 1 nu este permisă.
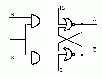
Realizarea practică a comutării simultane a semnalelor de intrare este imposibilă, ceea ce determină apariţia unei ambiguităţii a stării bistabilului după comutare. Din acest motiv se introduce noţiunea de sincronizare, folosind pentru aceasta o intrare de ceas (T) (figura 2.18).

Figura 2.18 Bistabil R-S sincron cu intrări sincrone-asincrone
Matricea de excitaţie a acestui a CBB R-S sincron şi ecuaţiile sale de funcţionare sunt prezentate în figura 2.19.

CBB sincron poate fi prevăzut şi cu intrări sincrone (Rd, Sd), care comandă evoluţia circuitului independent de prezenţa semnalului de tact, deci pot fi considerate prioritare faţă de celelalte intrări. Se menţine interdicţia Rd·Sd = 0.
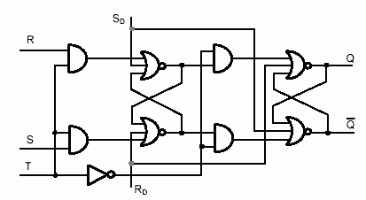
CBB sincron de tip R–S este transparent pentru intrările R, S în cazul T = 1. În unele aplicaţii este necesar controlul asupra momentului apariţiei informaţiei la ieşirea CBB. Pentru aceasta ar fi de dorit o funcţionare de felul următor: informaţia se înscrie pentru T = 1, dar apare la ieşire pentru T = 0, deci după închiderea porţilor de intrare. O astfel de funcţionare este realizată de CBB de tip R–S MASTER–SLAVE (figura 2.20).

Figura 2.20 Bistabil R-S sincron MAS’TER-SLAVE
Funcţionarea circuitului, relativ la semnalul de ceas T (figura 2.21), este următoarea:
1-2: porţile de intrare încă nu sunt deschise; porţile de transfer se închid izolând MASTER de SLAVE ;
2-3: porţile de intrare se deschid permiţând înscrierea informaţiei în MASTER ;
3-4: porţile de intrare se închid; porţile de transfer încă nu sunt deschise ;
4-5: porţile de transfer se deschid permiţând trecere informaţiei din MASTER în SLAVE. 
pentru CBB R-S MASTER-SLAVE
Dacă sunt necesare intrări asincrone ele pot fi prevăzute numai la SLAVE sau atât la MASTER cât şi la SLAVE (figura 2.22).
