Pentru a evita nedeterminările ce pot apare în urma aplicării pe intrările R, S ale unui CBB R-S asincron a
combinaţiei R = S = 1 se poate modifica schema circuitului astfel încât el să aibă o evoluţie cunoscută şi după o astfel de comandă, adică: R = S = 1 -› Qn+1= Qn. Matricea de excitaţie şi configuraţia obţinută prin sinteză sunt prezentate în figura 2.23, iar ecuaţiile de funcţionare corespunzătoare sunt arătate mai jos.



CBB de tip J–K sincron se obţine prin introducerea unei intrări suplimentare de tact aşa cum se observă în figura 2.2 4
Pentru T = 0 porţile de intrare sunt blocate iar pentru T = 1 se obţine funcţionarea asincronă.
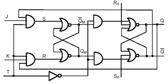
O modalitate de obţinere circuitului de tip J–K MASTER–SLAVE este realizarea a două legături de reacţie la un CBB R–S MASTER–SLAVE aşa cum este evidenţiat în figura 2.25.

Funcţionarea unui CBB R–S MASTER–SLAVE este descrisă astfel:
![]()

Figura 1.3 Forme de undă pentru CBB J-K MASTER-SLAVE
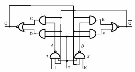
În figura 2.27 este prezentat un CBB J–K sincron pe front negativ.
Funcţionarea circuitului se bazează pe timpii de propagare (tp1=tp2≥4tp) ai porţilor 1 şi 2. Dacă nu este îndeplinită această condiţie, semnalul C revine în “1” după tp1 + tp de la frontul negativ al ceasului T, ceea ce ar determina revenirea în “0” a lui Q.

